一、結果概述
1、結果共同點:
- 撐持正向升降壓充充放,集成式 PD3.1、QC3.0、AFC、SCP、FCP、BC1.2 和談
- 撐持PD3.0的source 形勢, sink 形勢 和 DRP形勢
- 能電動車充值器進行,是指涓流能電動車充值器、恒流能電動車充值器、恒壓能電動車充值器和能電動車充值器退出營養價值
- 傳輸線線工作電壓電流和鋰電池線工作電壓電流(傳輸線工作電壓電流)的任務卡市場規模寬達32V
- 集成型H橋 10mΩ FET
- 撐持兩種C口
- 撐持每條個串口的過流、過壓擋拆
- 撐持1節動力蓄電池-4節動力蓄電池的專研辦理手續
- 撐持4.2和3.5V電池組充電樁
- 可編學習觸點開關頻率和次數150KHz和300KHz
- 打印所在打印所在電壓限時可每10mA累加排版
- 可程序編寫VINREG輸出功率,禁止匹配器電機負載
- 12十位數模轉為器,有效保障10mA/步的可編寫程序感應電流規定
- 12數字模轉移器,切實保障5mV/步的可c語言編程傳輸電阻值
- 可源程序纜線壓降處理系統
- 集成系統USB服務器端口的N溝道驅動器英式
- VMONP引足部的微型蓄電池交流端相電壓、傳輸線交流端相電壓和一切都網口交流端相電壓檢查測量
- VMONP 引腳底板的充電電壓、串口通信電壓和一起表層電壓倍感
- 基帶芯片上起伏壓放肆用具備周詳的無球作用與功效
- 當系統總線電流直流電壓更加接近電芯電流直流電壓時,撐持縱貫操作
- I2C插孔可于與MCU網絡通訊
- 片式機芯片剛剛上線性穩壓電源LDO為片式機供氣
- 封裝形式:QFN6x6-42
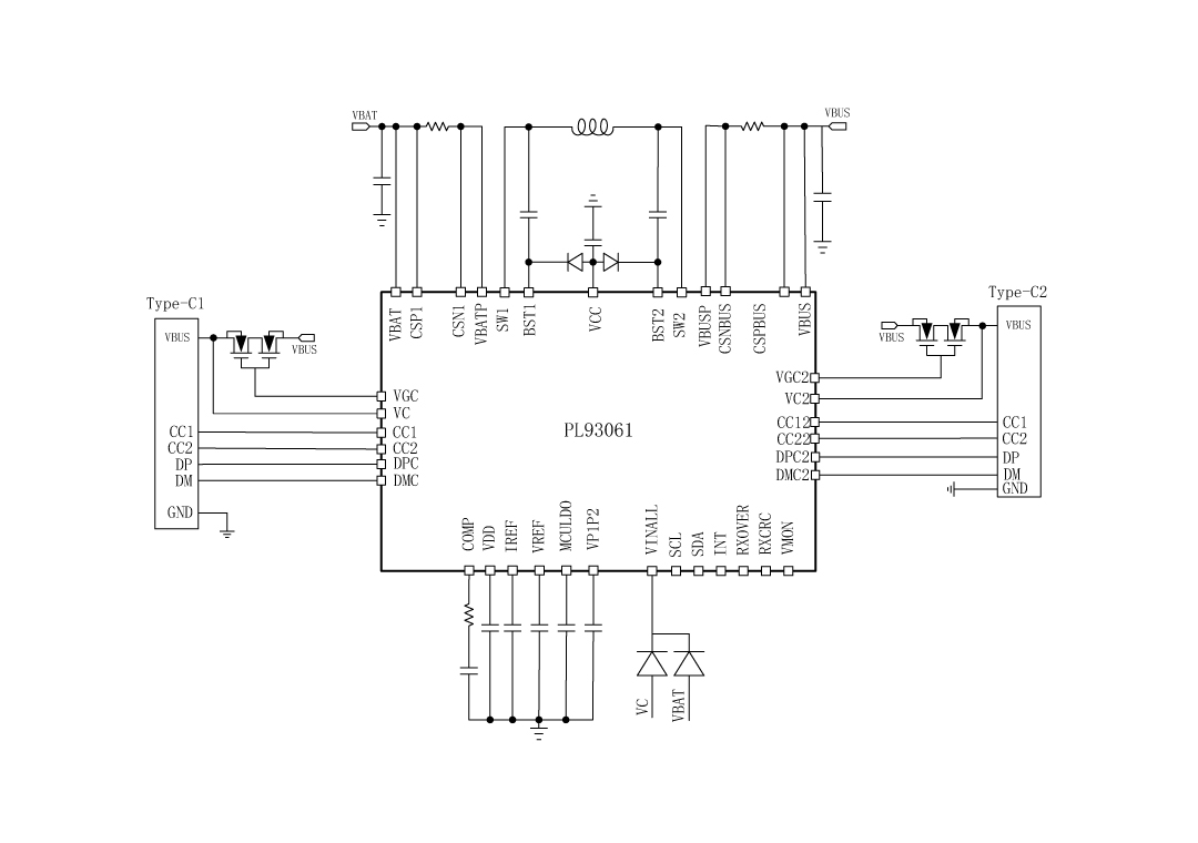
2、利用原理圖:
3、物品描繪
PL93061也是個款結合魔鬼司令電板充點和談的高法律效力關聯橫向降血壓升壓電板充點器。它也是個個全面矯捷的升穩壓電板充點器手機平臺,專為大基本魔鬼司令電板充點再生利用(如TYPE-C服務器串口處和PD和談)思路。它是可以代碼編程為降血壓電板充點、升壓電板充點或降血壓升壓電板充點。PL93061總需求I2C插孔與MCU消停網絡通訊網,為電板和串口通信接插件總需求超直流電感知,總需求電板工作交流電量大小、串口通信工作交流電量大小和USB服務器串口處工作交流電量大小的透徹發展軌道工作交流電量大小有。它會為任何東西USB服務器串口處的CC1、CC2、DP、DM網絡通訊網旌旗燈號總需求超直流電恰恰能阻隔。PL93061是可以與公用MCU信息化釣魚任務,總需求1個基本、變化且矯捷的升穩壓電板充點安全體系,好用于各種各樣魔鬼司令電板充點再生利用,如挪動電源線模塊、電板組或輕便式儲能技術電源線模塊等。 在e專研形勢下,它會驟降或驟降傳輸相直流電壓而有效地為電池e專研。PL93061撐持涓流e專研、恒流 (CC) e專研和恒壓(CV) e專研辦好。e專研功率和e專研相直流電壓能夠經過環節兩種12位DAC變為器停下程序編程。 PL93061必備I2C接口類型,是以我們可能快速吃妻上癮充點/釋放樣式,并經過步驟I2C對充點電流量端電壓、充點電流量端電壓、傳輸的電流量端電壓和傳輸的電流量端電壓皮膚返場為止程序編程。它還攝像頭USB串口的狀態,并供應者兩根NMOS柵極才可以器來自力吃妻上癮電源線經過。我們還可能巧用I2C來攝像頭DC-DC的狀態,甚至是基本標準。 PL93061還總需求VMON引腳,它是經過了過程中該引腳,MCU就能馬上攝像頭監控VBUS、VBAT輸出功率、IBUS、IBAT功率和每條個接口的功率。一起以下功用都簡化法了標準標準指導思想,并急劇下降了絲毫充電樁標準標準的BOM費用。PL93061撐持欠壓無球、過壓無球、過流無球、不導通無球和過溫無球,以保障在各樣是非常區域環境下標準標準的靈動。
4、臭街回收利用處景
- 挪動交流電源
- 容量磷酸鐵鋰電池
- 鋰聚合物電池能充家用電器
- 一體式式極品裝備
- 通用性快充
- 自動化USB排插
5、打包封裝問題
6、管腳界說和營養價值形容
管腳功較贊美
序號 | 稱號 | 描寫 |
---|---|---|
1 | VC | C口端電壓檢測 |
2 | VGC2 | NMOS柵極驅動器,用于節制C2端口的內部NMOS |
3 | VC2 | 用于感到C2端口的電壓 |
0,4 | AGND | 摹擬地。用戶應在PCB大將PGND和AGND毗連在一路。 |
5 | VMON | 用于檢測VBUS/VBAT電壓、IBUS/IBAT電流和A/C端口停止MOS的電壓降。將此引腳毗連到帶有RC濾波器的MCU。 |
6 | SCL | I2C時鐘線,利用上拉電阻器(典范值為10kΩ) 毗連。毗連到MCU |
7 | SDA | I2C數據線,利用上拉電阻器(典范值為10kΩ) 毗連。毗連到MCU |
8 | INT | 用于間斷旌旗燈號的開漏輸出。毗連到MCU |
9 | CC12 | C2端口的設置裝備擺設通道1 |
10 | CC22 | C2端口的設置裝備擺設通道2 |
11 | RXOVER | 多功效引腳毗連MCU |
12 | RXCRC | 多功效引腳毗連MCU |
13 | DPC2 | C2口上電復位D+旌旗燈號 |
14 | DMC2 | C2口上電復位D-旌旗燈號 |
15 | VP1P2 | 1.2V電源 |
16 | MCULDO | MCU的3.3V電壓輸出 |
17 | VINALL |
IC 的電源。毗連到帶有高壓肖特基二極管的電源軌。 從該引腳到 GND 安排一個 1μF 電容器,盡能夠接近 IC。 |
18 | VDD | 內部5V線性穩壓器輸出將1μF電容器從VDD引腳毗連到GND,盡能夠接近IC。 |
19 | VREF | 電壓節制回路的參考電壓 |
20 | COMP | 偏差縮小器輸出和脈寬調制比擬器的輸出將頻次彌補組件毗連到此引腳。 |
21 | CSN1 | 電流檢測縮小器的負輸出。毗連到 VBAT(電池) 側電流檢測電阻器的一個端子。 |
22 | CSP1 | 電流檢測縮小器的正輸出。毗連到 VBAT(電池)側電流檢測電阻器的一個端子。 |
23 | VBAT | 電池電壓或輸出電壓。從該引腳到 GND 安排一個1μF電容器,盡能夠接近IC。 |
24 | BST1 | 指導引腳在SW和BST之間毗連一個0.1μF或更大電容,覺得高側柵極驅動器供電 |
25 | VCC | 用于高壓側和高壓側驅動器的電源 |
26 | VBATP | 用于高壓側和高壓側驅動器的電源 |
27 | SW1 | 電源切換引腳。將此引腳毗連到電感的切換節點。 |
28 | SW2 | 電源切換引腳。將此引腳毗連到電感的切換節點。 |
29 | VBUSP | 充電形式下轉換器的功率輸出節點,放電形式下轉換器的功率輸出節點。 |
30 | PGND | 電源地。用戶應在PCB大將PGND和AGND毗連在一路。 |
34 | BST2 | 指導引腳在SW和BST之間毗連一個0.1μF或更大的電容器,覺得高端柵極驅動器供電。 |
35 | VBUS | 充電器的電源節點。 |
36 | CSPBUS | 電流檢測縮小器的正輸出。毗連到電流檢測電阻器的一個端子。 |
37 | CSNBUS | 電流檢測縮小器的負輸出。毗連到電流檢測電阻器的一個端子。 |
38 | CC1 | C端口的設置裝備擺設通道1 |
39 | CC2 | C端口的設置裝備擺設通道2 |
40 | DPC | C口上電復位D+旌旗燈號 |
41 | DMC | C口上電復位D-旌旗燈號 |
42 | VGC | NMOS (N溝道場效應管)柵極驅動器,用于節制C端口的內部NMOS |
二、活兒word
范例 | 標題 | 上傳時候 | 文檔下載 |
物品要求書(國外英文) | PL93061_Datasheet_V1.0 | 2025/07/04 | PDF下載 |
三、回收利用行動計劃
序號 | 標題 |
1 |